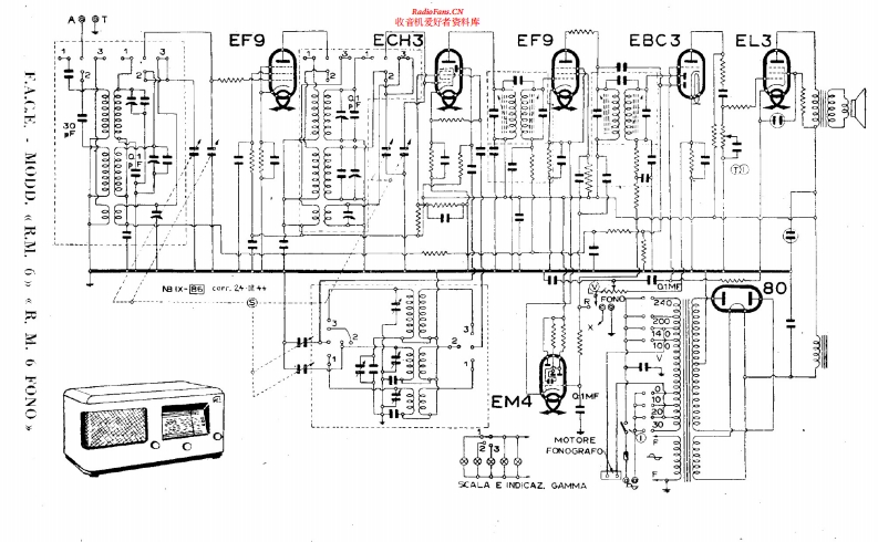
首页欧美收音机FACE FACE - RM 6 FONO - Mono Phonograph with AM-LW-SW Radio - Schematic Diagram 电路图 维修手册
东湖美

文档

674

关注

0

好评

0
PDF

FACE - RM 6 FONO - Mono Phonograph with AM-LW-SW Radio - Schematic Diagram 电路图 维修手册

阅读 844 下载 0 大小 975.91K 总页数 0 页 2025-08-02 分享
价格:¥ 10.00
下载文档
/ 0
全屏查看
FACE - RM 6 FONO - Mono Phonograph with AM-LW-SW Radio - Schematic Diagram 电路图 维修手册
还有 0 页未读 ,您可以 继续阅读 或 下载文档
1、本文档共计 0 页,下载后文档不带水印,支持完整阅读内容或进行编辑。
2、当您付费下载文档后,您只拥有了使用权限,并不意味着购买了版权,文档只能用于自身使用,不得用于其他商业用途(如 [转卖]进行直接盈利或[编辑后售卖]进行间接盈利)。
3、本站所有内容均由合作方或网友上传,本站不对文档的完整性、权威性及其观点立场正确性做任何保证或承诺!文档内容仅供研究参考,付费前请自行鉴别。
4、如文档内容存在违规,或者侵犯商业秘密、侵犯著作权等,请点击“违规举报”。
文档评分
    请如实的对该文档进行评分
  • 0
发表评论
返回顶部

问题、需求、建议

扫码添加微信客服